Search

Our offices are closed for Thanksgiving. Orders placed online will be processed on Monday 12/1/2025.

Our offices are closed for Thanksgiving. Orders placed online will be processed on Monday 12/1/2025.

Where To Find My Cummins Engine Serial Number?

Find your Cummins engine serial number with Diesel Parts Direct’s easy to use guide. Owner’s manuals can easily be misplaced, so when you need quick access to your Cummins serial number location, we’re here to help. We’ve assembled a useful guide to assist in finding and interpreting Cummins engine data plates and on block serial numbers.

Clearly engine data plates contain necessary information, but sometimes they can become unreadable. Below you’ll find a list of Cummins data plate and serial number locations sure to speed identification. From the ISX Series to the 6CTA, we have them all.

Visit Diesel Parts Direct to perform your Cummins engine serial number lookup. You’ll be glad you did.


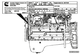
Find the dataplate on 4BT 3.9 /6BT 5.9 Engines

Cummins Dataplate on 4BT and 6BT engines

The long narrow metal tag that is attached to the front cover/gear housing contains the dataplate information. If you have lost the tag, look on the left side of the block, when looking from the front of the engine, above the oil cooler housing.

Find the dataplate on 6CTA Engines

Cummins Dataplate on 6CTA engines

The long narrow metal tag that is attached to the front cover/gear housing contains the dataplate information. If you have lost the tag, look on the left side of the block, when looking from the front of the engine, above the oil cooler housing.

Find the dataplate on ISB Engines

Cummins Dataplate on ISB engines

The dataplate typically located on the engine rocker cover, but may be located on the side of the gear housing. It includes the following information:

  • Engine Serial Number (ESN)
  • Critical Parts List (CPL)

Find the dataplate on ISC and ISL Engines

Cummins Dataplate on ISC and ISL engines

The dataplate is located on the top side of the gear housing. It includes the following information:

  • Engine Serial Number (ESN)
  • Critical Parts List (CPL)
  • Model
  • Horsepower and RPM rating

Find the dataplate on ISM Engines

The dataplate is located on the fuel pump side of the engine, on the rocker housing. It includes the following information:

  • Engine Serial Number (ESN)
  • Critical Parts List (CPL)
  • Model
  • Horsepower and RPM rating
  • Emission statement (if applicable)

Find the dataplate on ISX Engines

The dataplate is located on top of the rocker lever cover. It includes the following information:

  • Engine Serial Number (ESN)
  • Critical Parts List (CPL)
  • Model
  • Horsepower and RPM rating

Find the dataplate on QSK45 and QSK60 Engines

The dataplate is located on the left bank side of the front gear cover. It includes the following information:

  • Engine Serial Number (ESN)
  • Critical Parts List (CPL)
  • Horsepower and RPM rating


🎉 Exciting Partnership Announcement! 🎉

We're thrilled to welcome Delta Diesel Parts to our family of trusted partners. As specialists in diesel engine components, Delta Diesel Parts offers:

  • Extensive inventory of genuine and aftermarket parts
  • Solutions for Perkins, Deutz, Yanmar, and Kubota diesel engines
  • Complementary product lines to expand your service options
  • Professional, customer-oriented service

Looking for specific diesel engine parts? Visit www.deltadieselparts.com to explore their comprehensive selection. Their expertise perfectly complements our offerings at DPD, ensuring you have access to the parts you need. Together, we're committed to providing you with the best solutions for your diesel engine requirements with:

  • Quality Parts
  • Fast Shipping
  • Expert Support

Visit Delta Diesel Parts today at www.deltadieselparts.com